успешной работы
товаров в каталоге
сделок в месяц
постоянных клиентов
Назначение
Взрывозащищенный светофор используется для регулирования движения на предприятиях нефтегазоперерабатывающей промышленности, химической и фармацевтической промышленности- на предприятиях со взрывоопасными газами IIA, IIB, IIC и легковоспламеняющейся взрывчатой пылью, угольных выработках.
Особенности
- Светодиодный источник света обеспечивает низкое энергопотребление светофором и большую дальность распознавания сигнала.
- Модульная система светофора обеспечивает его простоту и надёжность.
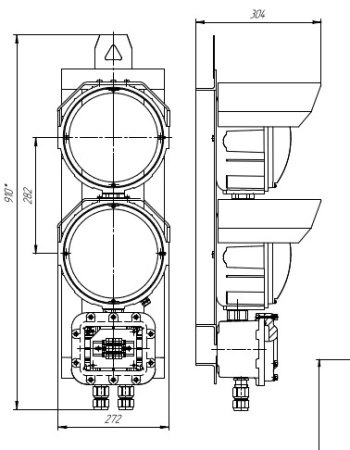
Конструкция
Светофор состоит из модулей скреплённых в одну конструкцию. Модуль состоит из взрывонепроницаемой оболочки с взрывозащитой типа «d», в которой располагается источник света и толстостенное стекло, установленное в крышке оболочки. Поверх стекла на оболочке закреплён светофильтр, определяющий цвет сигнала модуля светофора.
Светофор исполнения с маркировкой взрывозащиты PB Ex d l Mb выполнен из стали и имеет не менее одного кабельного ввода для бронированного кабеля.
Светофор исполнения с маркировкой взрывозащиты 1Ex d llC T6 Gb/Ex tb lllC T80 Db выполнен из алюминиевого сплава и имеет не менее двух кабельных вводов.
Козырёк установленный на каждый модуль светофора обеспечивает увеличения дальности видимости сигнала. Внутри и снаружи установлены болты заземления.
Структура условного обозначения
ВЭЛАН61-X1-X2-X3-X4-X5
ВЭЛАН61 - светофор взрывозащищённый.
X1 - Ш-рудничное исполнение (I группы электрооборудования для применения в шахтах и рудниках). В случае исполнения для остальных отраслей промышленности (|| группа электрооборудования), индекс не указывается.
X2 - цвет свечения модулей: К - красный, Ж - жёлтый, З - зелёный, С - синий. Примечание: при количестве модулей более одного, буквы указываются одна за другой. Число букв определяет число модулей светофора.
X3 - тип источника света: СД.Л. - светодиодная матрица.
X4 - тип тока (AC/DC) и напряжение питания в вольтах (12, 24, 36, 127, 230).
X5 - вид климатического исполнения и категории размещения по ГОСТ 15150: B5 - для шахтного исполнения, B1 - для остальных.
|
Название производителя
|
Промышленная точка |
|
Серия
|
Вэлан |
|
Напряжение, В
|
230 |
|
Тип тока
|
DC |
|
Модель
|
Вэлан 61 |
|
Частота, Гц
|
50 |
|
Выходная апертура, мм
|
200 |
|
Цвет покрытия светофора
|
Серый |
|
Длина козырька секции светофора, мм
|
240, 300 |
|
Угол наклона козырька секции светофора, градус
|
2, 5 |
|
Кабельные вводы
|
ВК-С(Н)-ВЭЛ 2БМ-М25-ExdG-B1,5 (1 шт) |
|
Температура эксплуатации, ℃
|
от -60℃ до +55℃ |
|
Степень защиты
|
54 |
|
Тип светофора
|
Взрывозащищенный |
|
Страна-производитель
|
Россия |
|
Климатическое исполнение
|
B5 |
|
Тип по назначению
|
транспортные |
|
Конструкция
|
двухсекционные |
|
Световой элемент
|
светодиодные |
|
Расположение
|
вертикальные |
|
Тип регулирования
|
постоянные |
|
Потребляемая мощность одной секции
|
не более 10 Вт |
|
Срок службы
|
не менее 10 лет |
|
Гарантия
|
5 лет |
Для покупки товара в нашем интернет-магазине выберите понравившийся товар и добавьте его в корзину. Далее перейдите в Корзину и нажмите на «Оформить заказ» или «Быстрый заказ».
Когда оформляете быстрый заказ, напишите ФИО, телефон и e-mail. Вам перезвонит менеджер и уточнит условия заказа. По результатам разговора вам придет подтверждение оформления товара на почту или через СМС. Теперь останется только ждать доставки и радоваться новой покупке.
Оформление заказа в стандартном режиме выглядит следующим образом. Заполняете полностью форму по последовательным этапам: адрес, способ доставки, оплаты, данные о себе. Советуем в комментарии к заказу написать информацию, которая поможет курьеру вас найти. Нажмите кнопку «Оформить заказ».
Оплачивайте покупки удобным способом. В интернет-магазине доступно 3 варианта оплаты:
- Наличные при самовывозе или доставке курьером. Специалист свяжется с вами в день доставки, чтобы уточнить время и заранее подготовить сдачу с любой купюры. Вы подписываете товаросопроводительные документы, вносите денежные средства, получаете товар и чек.
- Безналичный расчет при самовывозе или оформлении в интернет-магазине: карты Visa и MasterCard. Чтобы оплатить покупку, система перенаправит вас на сервер системы ASSIST. Здесь нужно ввести номер карты, срок действия и имя держателя.
- Электронные системы при онлайн-заказе: PayPal, WebMoney и Яндекс.Деньги. Для совершения покупки система перенаправит вас на страницу платежного сервиса. Здесь необходимо заполнить форму по инструкции.
Экономьте время на получении заказа. В интернет-магазине доступно 4 варианта доставки:
- Курьерская доставка в работает с 9.00 до 19.00. Когда товар поступит на склад в , курьерская служба свяжется для уточнения деталей. Специалист предложит выбрать удобное время доставки и уточнит адрес. Осмотрите упаковку на целостность и соответствие указанной комплектации.
- Самовывоз из магазина в . Список торговых точек для выбора появится в корзине. Когда заказ поступит на склад, вам придет уведомление. Для получения заказа обратитесь к сотруднику в кассовой зоне и назовите номер.
- Постамат. Когда заказ поступит на точку в , на ваш телефон или e-mail придет уникальный код. Заказ нужно оплатить в терминале постамата. Срок хранения — 3 дня.
- Почтовая доставка через почту России. Когда заказ придет в отделение в , на ваш адрес придет извещение о посылке. Перед оплатой вы можете оценить состояние коробки: вес, целостность. Вскрывать коробку самостоятельно вы можете только после оплаты заказа. Один заказ может содержать не больше 10 позиций и его стоимость не должна превышать 100 000 р.

